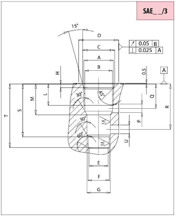
Монтажные размеры для ввертных клапанов UNF

| Размеры | ||||||||||||||||
| Код | A | B ± 0,05 | C ± 0,05 | D | E Ø max | F ± 0,02 | G ± 0,02 | H | L | M | P | Q | R | S | T | U |
| SAE08/2 | 3/4-16 UNF | 17,42 | 20,66 | 27 | 12,72 | 2,7 | 11,5 | 18,5 | 8 | 14,3 | 28,5 | |||||
| SAE08/3 | 17,42 | 20,66 | 27 | 12,5 | 14,3 | 15,9 | 2,7 | 11,5 | 19,1 | 5,5 | 14,3 | 28,6 | 33,3 | 41,3 | 5,5 | |
| SAE10/2 | 7/8-14 UNF | 20,62 | 24 | 30 | 15,9 | 2,8 | 16 | 23,8 | 11 | 18,3 | 33,3 | |||||
| SAE10/3 | 20,62 | 24 | 30 | 14 | 15,9 | 17,5 | 2,8 | 16 | 23,1 | 6,5 | 18,3 | 34 | 39,6 | 47,6 | 6,5 | |
| SAE12/2 | 1-1/16-12 UNF | 24,73 | 29,23 | 38 | 22,25 | 3,56 | 19 | 34,1 | 19 | 24,5 | 46,8 | |||||
| SAE12/3 | 24,73 | 29,23 | 38 | 19 | 22,25 | 23,82 | 3,56 | 19 | 36,6 | 16 | 24,5 | 53 | 63,5 | 75,4 | 16 | |
| SAE16/2 | 1-5/16-12 UNF | 31,34 | 35,58 | 45 | 28,62 | 3,49 | 22 | 34,1 | 19 | 24,5 | 46,8 | |||||
| SAE16/3 | 31,34 | 35,58 | 45 | 19 | 27,08 | 28,62 | 3,49 | 22 | 36,6 | 16 | 24,5 | 53 | 64,3 | 75,4 | 16 | |




Если вас заинтересовала представленная информация или вы не нашли нужный товар или услугу, пожалуйста, позвоните или отправьте запрос на консультацию:
Позвонить:
Ещё из раздела ввертные клапаны SAE08
Гидроклапан трехлинейный ввертный EV11 с электроуправлением прямого действия
SAE8, 12 л/мин, 210 бар
Устаревшая маркировка новую см. здесь Клапаны ввертные тип EV11 с электроуправлением прямого действия 3/4UNF Основные характеристики: Вязкость масла 15-250 мм2/с Требование к чистоте масла ISO 4406:1999 Classe 19/17/14 Температура рабочей жидкости ...

Осуществляем диагностику и ремонт дробилок и грохотов Extec, Fintec. Ремонт и восстановление, заказ, подбор аналогов гидравлических ...
