Клапан обратный ввертный CUR
Клапан обратный ввертный CUR пропускает поток в одном направлении и блокирует в обратном. Небольшие размеры и ввертное исполнение клапана идеальны для интегрирования его в гидравлические системы собственной разработки.Общие характеристики:
| Вязкость масла | 10-500 мм2/с |
| Требование к чистоте масла | SAE класс 4 и выше |
| Температура рабочей жидкости | от - 20 °С до + 80 °С |
| Температура окружающей среды | от - 20 °С до + 50 °С |
| Максимальное давление | 35 МПа (350 бар) |
| Масса | 0,07-0,17 кг |
Скачать технические характеристики, размеры клапанов CUR
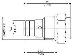
Клапан обратный ввертный тип CUR6


| Технические характеристики | |||||
| Модель | Макс. расход л/мин | Макс. давл., бар | Масса, кг. | Момент затяжки, Нм | Монтажный размер |
| CUR6 | 25 | 350 | 0,07 | 25-30 | SAE8/2 |
Клапан обратный ввертный тип CUR2015


| Технические характеристики | |||||
| Модель | Макс. расход л/мин | Макс. давл., бар | Масса, кг. | Момент затяжки, Нм | Монтажный размер |
| CUR2015 | 25 | 350 | 0,07 | 25-30 | C2015/2 |
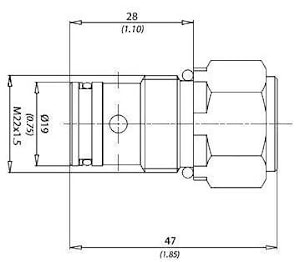
Клапан обратный ввертный тип CUR2215


| Технические характеристики | |||||
| Модель | Макс. расход л/мин | Макс. давл., бар | Масса, кг. | Момент затяжки, Нм | Монтажный размер |
| CUR2215 | 40 | 350 | 0,11 | 45-50 | C2215/2 |
Клапан обратный ввертный тип CUR2615


| Технические характеристики | |||||
| Модель | Макс. расход л/мин | Макс. давл., бар | Масса, кг. | Момент затяжки, Нм | Монтажный размер |
| CUR2615 | 60 | 350 | 0,17 | 55-60 | C2615/2 |
производитель
OLEOWEB
Если вы хотите купить клапан обратный ввертный CUR , вы можете:
Позвонить:

Компактные гидростанции подъемных столов, ножничных подъемников предназначены для привода гидроцилиндров одностороннего действия в подъемных механизмах ножничного типа: табочих столах, грузовых подъемниках, подъемных ...
