Приоритетный клапан для HKUS.../5... Тип PR 80 л/мин
80 л/мин
Приоритетный клапан распределяет поток гидравлической жидкости между компонентами гидравлической системы и системой управления, отдавая приоритет управлению.Приоритетный клапан типа PR используется с насос дозаторами HKUS.../5(E)(T)(TE)
При использовании клапана приоритета поток, не используемый для управления может использоваться гидравлической системой.
-Клапан приоритета со статическим сигналом должен использоваться с насосом-дозатором со схемой LS со статическим сигналом.
-Клапан приоритета с динамическим сигналом должен использоваться с насосом-дозатором со схемой LS с динамическим сигналом

Фланцевый монтаж статический сигнал
PRD.../40,80...

Фланцевый монтаж динамический сигнал
PRDD.../40,80..

Трубный монтаж статический сигнал
PRT... PRTA... /40,80...; /40,80...

Трубный монтаж динамический сигнал
PRTD... PRTAD... /40,80...; /40,80...

Технические параметры клапана приоритета:

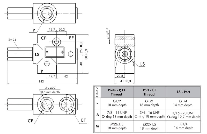
Р - насос, EF - избыточный поток, CF - контролируемый поток (приоритетный поток), L - влево, R - вправо, LS - чувствительность к нагрузке, T - бак
Размеры клапана приоритета фланцевого монтажа PRD(D)/ 40,80

Размеры клапана приоритета фланцевого монтажа PRT(D)/40,80

Размеры клапана приоритета трубного монтажа PRTA(D)/40,80

производитель
M+S
Если вы хотите купить приоритетный клапан для HKUS.../5... Тип PR , вы можете:
Позвонить:

Компактные гидростанции подъемных столов, ножничных подъемников предназначены для привода гидроцилиндров одностороннего действия в подъемных механизмах ножничного типа: табочих столах, грузовых подъемниках, подъемных ...
